中微爱芯AiP74HC595、AiP74HCT595的典型应用
(深圳市绿都电子有限公司是领先的电子元器件代理和分销商。绿都电子是中微爱芯的一级代理,竭诚为您提供销售和技术服务,我们可提供正品现货、技术支持、数据手册和免费样品。欢迎来电垂询:0755-83777478, 18688790400。)
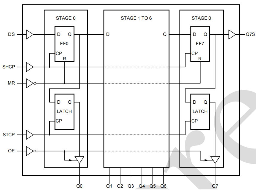
中微爱芯AiP74HC595、AiP74HCT595是一款串行输入/并行输出移位寄存器芯片,它使用时序控制和逻辑电路实现数据的移位和输出。它可以存储和传输二进制数据,在时钟信号的控制下,通过串行输入依次将数据移入寄存器中,并在需要时通过并行输出将数据输出到外部设备。
AiP74HC595芯片主要特点:
-
串行输入(shift-in):该引脚用于接收串行输入数据。当一个时钟脉冲到来时,输入数据会根据时序信号被移入寄存器中。可以连接到其他移位寄存器的并行输出,实现级联操作。
-
时钟(clock):时钟信号用于控制数据在寄存器中的移位操作。当时钟脉冲到来时,寄存器根据时序控制信号将输入数据从串行输入移入寄存器中。
-
并行输出(shift-out):寄存器中的数据可以通过并行输出引脚依次输出到外部设备(如LED、数码管等)。输出数据的顺序与输入数据的顺序相反。
-
输出使能(output enable):该引脚控制并行输出的使能。当该引脚为低电平时,数据才会从并行输出引脚输出。
-
增量模式(cascading mode):AIP74HC595芯片可以通过级联操作连接多个芯片,以扩展输出的数量。一个芯片的并行输出可以连接到第二个芯片的串行输入,依此类推。


产品规格:
-
输入电压范围:2V至6V
-
输出电流:直流输出电流为6mA
-
工作温度范围:-40°C至85°C
-
封装:DIP-16和SO-16
-
串行接口:支持SPI(串行外设接口)
-
输出极性:高电平有效
-
最大串行数据传输速率:8MHz(最大)
应用领域:
-
LED显示:AiP74HC595芯片可通过并行输出控制多个LED,适用于各种LED显示器、七段数码管等LED显示应用。
-
数字电子设备:该芯片可以用于扩展输入输出,例如控制按键、开关等,是数字电子设备中常用的芯片之一。
-
仪器仪表:AiP74HC595可用于仪器仪表的数据显示和控制,如数字万用表、信号发生器等。
-
自动化控制:可用于电机控制、机器人、工业自动化等。
-
音频设备:用于音频设备中的数据传输和控制,例如音乐合成器、音频混音器等。
-
Arduino等开发平台:常用于各种嵌入式系统和物联网设备的开发。
可以替换的芯片型号:
-
74HC164:基本功能类似,但只有串行输入和并行输出,适用于LED移位寄存器等简单应用。
-
74HC595A:类似的功能和引脚分配,但是工作电压范围更广,从2V至7V。
-
SN74HC595:德州仪器(Texas Instruments)生产的同类芯片,与AiP74HC595具有相似的功能和应用。
在大部分应用中可以相互替换,但在一些特殊情况下可能会有差异,建议在替换前查阅相应的数据手册,并与我们联络进行确认。